
TM 9-2350-311-34-1
10-1 WINTERIZATION KIT INSTALLATION — CONTINUED
a. Installation — Continued
34
35
36
37
38
39
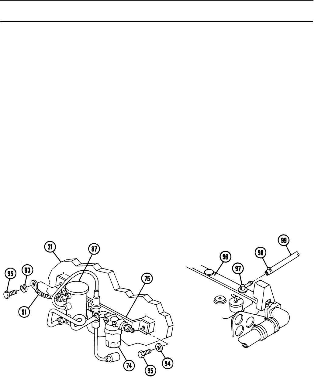
NOTE
Install Iockwasher between ground strap and screw head.
Install bracket (75) with fuel filter (74), electric fuel pump (87), and ground strap (91) to hull front plate (21)
using Iockwasher (93), flat washer (94), and two screws (95).
Remove plug from right engine coolant manifold (96) and install elbow (97).
Install hose clamp (98) to 0.625- in.- (1 5.9-mm-) id by 78-in. - (1.98-m-) long hose (99). Install hose to elbow
(97) and tighten clamp.
Install hose clamp (100) to 0.625-in. - (1 5.9-mm-) id by 60-in. - (1.52-m-) long coolant hose (101). Install hose to
engine coolant pump inlet adapter (56) and tighten clamp. Install engine primary fuel filter-to-coolant heater
fuel filter hose to filter inlet adapter (73).
NOTE
Secure hoses in steps 38 and 39 to transmission with strap material using
transmission screws and washers.
Place coolant manifold hose (99) along side and front of transmission and connect to battery heater inlet tube
(102). Trim hose to fit and install to heater inlet tube with hose clamp (103).
Place coolant hose (101) along front of transmission and connect to battery heater outlet tube (104). Trim hose
to fit and install to heater outlet tube with hose clamp (1 05).
10-12
Comments to this Manuals